Friday, January 15, 2021

VISUAL ANALYSER: Spectrum Analyser, Oscilloscope, Signal Generator

Thought I might share a tool that I've found very useful, which is not well known  -  Visual Analyser is a free PC-based oscilloscope / spectrum analyser / signal generator.  http://www.sillanumsoft.org/prod01.htm  


It's great for fault-finding the signal path or testing transistors for your effects.  example:  If two transistors both look identical on the scope and spectrum analyser, they will almost certainly sound the same.

I'm using iRig on an old laptop as a cheap and dirty interface, with some proper scope probes that I picked up for free.  If you have multiple inputs, it can be run as a dual scope.


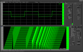
Example:  Tone Bender MKIV




VISUAL ANALYSER - BASIC SETTINGS / HOW TO FOR GUITAR PEDALS

LIMITATIONS & SAFETY WARNING

Unlike a hardware-based oscilloscope, a sound card is not designed to accept high AC or DC voltages.  They are designed for small AC signals only - microphone and line levels.   So unless you want to destroy your computer and possibly electrocute yourself - stay away from high voltages as these may be lethal.  i.e. you may end up dead.

Make sure there's a capacitor protecting the sound card from DC voltages.  There should be one on the input of the sound card, but I like having one in the signal chain prior to this anyway (more on that later).

Frequency range.  Again this relates to the sound card.  A standard scope can measure frequencies in the MHz, while with a sound card, you will be lucky to make it to 20kHz.   This isn't necessarily a big deal for most analog guitar effect pedals, especially if you are only dealing with audio signals that fall within the usual range covered by a sound card.  What you will probably not be able to measure are waveforms generated for tremolos (very low) and clock rates for some digital ICs (very high).

MAIN WINDOW

After downloading and installing the software, the first thing you will see is the main window.

The main window is split between the scope view on the top and a spectrum analyser below.  There's also the option to float each view separately, so if you want to just have a large scope window, you can do that (see the floating button on the top toolbar).

I prefer to leave them running at the same time.  


At this stage, you will probably want to run some level into Visual Analyser to see what it can do.

 

WAVES AND SIGNAL LEVELS

A 1K sine wave is pretty standard, although I prefer 440hz, as I find it a little gentler on the ears.


Of course, nothing beats plugging a guitar into a circuit with an amp at the other end; it’s just not always practical.  Using a guitar on a scope is pointless, as the wave is very complex and constantly on the move.


Testing overdrives, distortions, fuzz etc

I always use a sine wave, as any circuit that distorts the wave, generates harmonics.  If you use anything other than a sine wave, the resulting wave becomes complex, making it harder to see and hear the results.


Testing equalisation or filters

Use a square wave, or pink / white noise.  Why?  both options have a lot of frequency content / harmonics that can be filtered or equalised.  It’s near impossible to equalise or filter a sine wave, as it only has one frequency (the fundamental).  Unless of course, the eq or filter is in circuit that is generating a lot of harmonics already, so you actually have something to filter and the results can easily be seen.  i.e. fuzz, distortion etc.



Signal Level

I use about 130mv TRMS as a signal level, which is about 360mv peak to peak.  200mv is fine, even 500mv for hot pickups.   Personally, I would not go over 1v, as you might start to get unexpected results.  i.e. driving the input too hard.   


A 1kHz sine wave at 1V is sometimes seen in service manuals as a test signal.   


SOUND CARD SETTINGS

Don’t max the gain on the test signal, as you will need a lot of headroom left on the sound card to cope with higher levels coming off the circuit during testing.  My input level sits at around -24db.  You can always zoom in on a small signal, but once the card clips / you run out of headroom, you can’t fix this.


Set the sound card to the highest sample rate possible, and adjust the buffer if needed.  Same as setting up for any audio application.


I actually have a voltage divider set up on the output of the probe before the iRig / sound card to help keep levels down.  A volume pot would also do the job, however, I prefer not having something that needs adjustment all the time.


Input chain:   Probe ---> 10uf cap ---> voltage divider ---> iRig ---> Computer sound card input


Monitor speaker:  Probe ---> 10uf cap ---> Line input of powered speaker



SPECTRUM ANALYSER SETTINGS (FFT)

I set the range to 200hz to 20kHz, as I use a 440Hz test signal.  No point in having half the analyser window empty, and this provides more room to see the harmonics.  I've used a square wave as an example here, as, unlike a sine wave, it actually has harmonics to see.


If you are new to the concept of harmonics - they are whole number multiples of the fundamental frequency, and they basically give sound character/complexity. 





There's also a 3D mode for the window that scrolls live.  Bit of a Joy Division vibe with this.   I think it's mostly pointless for my purposes, but it looks cool.   



Below is a great example of harmonics - this is an octave fuzz.  The fundamental frequency of 440hz is dwarfed by the second harmonic of 880Hz.  It also has a lot of high-frequency content that's quite pronounced.




I prefer to set the Y-axis scale to 3db (this is the vertical scale showing level).  For the 3D view, just check the button "3D" in the X-axis settings.

I also prefer not to have the window autoscale, as this can get confusing regarding changes in levels.  To manually change the level, click on the Y-axis scale and drag it up and down (the green bar on the right of the analyser window.


Note on the top right the buttons for capturing the scope or spectrum results.  It's basically a screengrab.  Very handy when comparing different parts or settings.  You can also access this via a right-mouse click anywhere in the window.


OSCILLOSCOPE SETTINGS


The scope is pretty simple.  I rarely touch anything apart from Zoom or ms/d.

Zoom - this is the vertical zoom used to increase or decrease the wave size.  I normally have mine sitting on 4, and then I zoom out to 1 for large signals.  

ms/d - or millisecond/division.  This is the time base or horizontal zoom.  It also helps steady the wave if you have a wave that is flickering across the screen.   The Trig slider also helps with this.

Vpos - this sets the vertical position of the wave, only needed if something is very asymmetrical or you want to position the two channels separately in the scope window.

Values - enabling the Values provides an extra display with a range of different values, most of which will probably not be of any interest for most people.  Give it a try; maybe you will use it.

DA checkbox - this is the digital conversion option.  I will not attempt to explain it all here - just turn it on.   Read the help file for a proper explanation.  TLDR - smoother-looking waves.  

DC removal checkbox - digital filter to cut frequencies below 0.01Hz




WAVE GENERATOR

If you don't have a signal generator, the wave generator might be handy (launch via the top toolbar).  There's not much the waver generator doesn't do - best to just start using it, I'm sure you will work it out.

Personally, I prefer a hardware option as a signal generator, which may not be practical for everyone.  I picked up an old analog one for $20 that is always on.    




No comments:

Post a Comment