I picked up a couple of valve PA heads on the cheap, without valves, so jotting down a few notes for later. I believe that this is almost the same as a Philips 982, based on early observations.
The preamp was converted to something very similar to the Marshall 18w, with two inputs, volume, tone and a master volume (which I usually leave wide open, but it's nice to have). The two input channels each go to a side of the 12AX7 preamp, with one input running both in parallel. The output section is now running 2 x 6L6 instead of EL34s and the transformer was rewired to provide a 4 and 8 ohm output at close to 6.6k P-P. The 4 ohm is 7.1k and the 8 ohm is 6.4k.
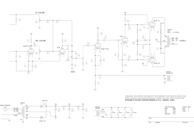
STEANE'S SOUND SYSTEMS MODEL S 311 VALVE PA AMPLIFIER
VALVE LINE-UP
Valves were removed by the previous owner and moved into his sales stock.
2 x 12AX7 dual triodes
2 x EL34 pentodes, cathode biased
1 x GZ32 full wave rectifier
Expected output, 25W
note: The maximum reservoir capacitor was 60 µF and the minimum series resistance to limit current was 150 Ohms.
INPUTS / OUTPUTS / CONTROLS
INPUTS: PU (phono input for crystal cartridges) & Microphone
CONTROLS: PU Volume, Mic Volume, Tone (music / speech)
OUTPUT: Speaker binding posts, fixed impedance, currently set to 500 ohms
TRANSFORMERS
POWER:
A&R Type 1791, 2886
300-CT-300 for B+
6.3-CT-6.3 for 12AX7 & EL34 heaters
5v for GZ32 heaters
OUTPUT:
A&R Type 2504, 2826
0, 125, 250, 500 + FB winding
Output transformer: negative feedback, common, 125, 250 & 500
Full credit to Tim Robbins for drawing the original schematic - as it is almost identical, I just amended it with the values that I found in this amplifier. Hope you don't mind Tim (if you ever see this).
The main difference is R24 & C11 across the primaries of the output transformer.












No comments:
Post a Comment