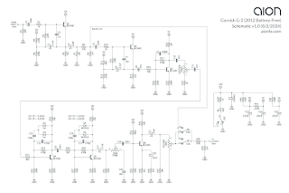
There's been so much speculation about the G2, over many many years. Aion FX has traced two versions of the Pete Cornish G2, so hopefully this is the end of some very long threads on various forums.
Long story short, one version is very close to all of the mods that everyone has been doing for years. Here's the battery free version, which uses a mix of germanium and silicon diodes, and has smaller caps in the required places to fixe the darkness issue.
I will come back to this at a lter date with more details and a larger layout incorporating the second buffer. This is it for now...


2 comments:
Q3-6 is obviously a BIG MUFF, and Q1 is BUFFER STAGE. Is Q2 also a BUFFER STAGE? Why are there two BUFFER STAGES needed? It appears to be a standard approach for CORNISH pedal.
He likes buffered bypass. A second buffer in front of the circuit just provided a bit more consistency in the signal chain. The impedance doesn't really change whether the pedal is on or off.
Post a Comment